X-Y Slide Tables

All slide models are available as X-Y Tables and Stages. They offer the same features and benefits as their single axis slide series counterparts.

X-Y Tables and stages are configured for:

  • Manual positioning
  • Motor ready for your drives
  • DC motor drive
  • Stepping motor drive
  • Servo motor drive

XY Table Slide


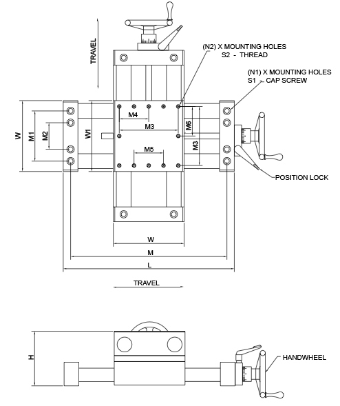
MS Series - XY Slide Table Dimensions

Series
L
H
W
W1
M
M1
M2
N1
S1
N2
S2
M3
M4
M5
M6
LMS200
3.0+T
2.50
2.00
2.00
2.5+T
1.25
N/A
4
1/4
4
1/4-20
1.50
N/A
N/A
N/A
LMS315
4.5+T
3.50
3.15
3.00
3.75+T
1.88
N/A
4
5/16
4
1/4-20
2.50
N/A
N/A
N/A
LMS400
6.5+T
4.75
4.00
4.00
5.25+T
2.38
N/A
4
3/8
4
5/16-18
3.25
N/A
N/A
N/A
LMS600
8.5+T
4.63
6.00
6.00
7.25+T
4.25
N/A
4
3/8
6
5/16-18
5.00
2.50
N/A
N/A
LMS850
11+T
8.25
8.50
8.00
9.5+T
7.63
2.38
8
3/8
8
3/8-16
6.00
N/A
2.38
N/A
LMS1000
13+T
8.25
10.00
10.00
11.5+T
9.13
2.38
8
3/8
8
3/8-16
7.50
N/A
2.50
N/A
LMS1200
15+T
8.75
12.00
12.00
13.5+T
11.13
5.88
8
3/8
8
3/8-16
9.00
4.50
N/A
4.50
LMS1800
21+T
8.75
18.00
18.00
19.5+T
17.13
11.88
8
3/8
8
3/8-16
15.00
7.50
N/A
7.50




X-Y Slide Tables and Stages

How to Order

 
Series X-Travel Y-Travel
LBS45 1" to 16" 1" to 16"
LMS200 1" to 20" 1" to 20"
LMS315 1" to 24" 1" to 24"
LMS400 1" to 36" 1" to 36"
LMS600 1" to 72" 1" to 72"
LMS850 1" to 144" 1" to 72"
LMS1000 1" to 144" 1" to 72"
LMS1200 1" to 240" 1" to 72"
LMS1800 1" to 240" 1" to 72"
LUDH2 1" to 16" 1" to 16"
LUDH3 1" to 24" 1" to 24"
LUDH4 1" to 36" 1" to 36"
LUDH6 1" to 36" 1" to 36"
LUDH8 1" to 36" 1" to 36"
LUDH10 1" to 36" 1" to 36"
LUDL2 1" to 36" 1" to 36"
LUDL3 1" to 36" 1" to 36"
LUDL4 1" to 36" 1" to 36"
LUDL6 1" to 36" 1" to 36"
LUDL8 1" to 36" 1" to 36"
LUDL10 1" to 36" 1" to 36"
LUDC3 1" to 24" 1" to 24"
Material Options
ST = Steel
AL= Hardcote Alum.
D= Delrin
CI= Cast Iron
SST= Stainless Steel
CM = Custom material
Other Options
NS = No drive screw
S1 = 10-32 UNF drive screw
S2 - 1/4-20 UNC Drive screw
S3 = 1/2-20 UNF drive screw
S4 = 1/2-13 UNC drive screw
S5 = 5/8-10 Acme drive screw
S6 = 3/4-5 Acme drive screw
S7 = 3/4-10 Acme drive screw
S8 = 1.0-5 Acme drive screw
S9 = 1.0-10 Acme drive screw
CS = Custom screw - (provide description)
HD1.5 = 1.5" Handwheel
HD2 = 2" Handwheel
HD3 = 3" Handwheel
HD4 = 4" Handwheel
HD6 = 6" Handwheel
HD8 = 8" Handwheel
HD10 = 10" Handwheel
RCH = Ratacheting Crank Handle
D = Digital position indicator
CMT = Custom mounting (provide drawing)
MR = Motor ready (specify motor)
DC = DC motor drive
SM = Smart motor drive (steping)
Servo = Servo motor drive
Note:
  • The X-Axis is always the bottom or primary axis.
  • The Y-Axis is the upper, or secondary axis.
  • When looking down on the table with the x-axis drive end pointing toward you, the Y-Axis drive is on the right. This is standard or right hand configuration.
  • To order a slide table with the Y-Axis drive pointing to the left ask for the left hand version.